




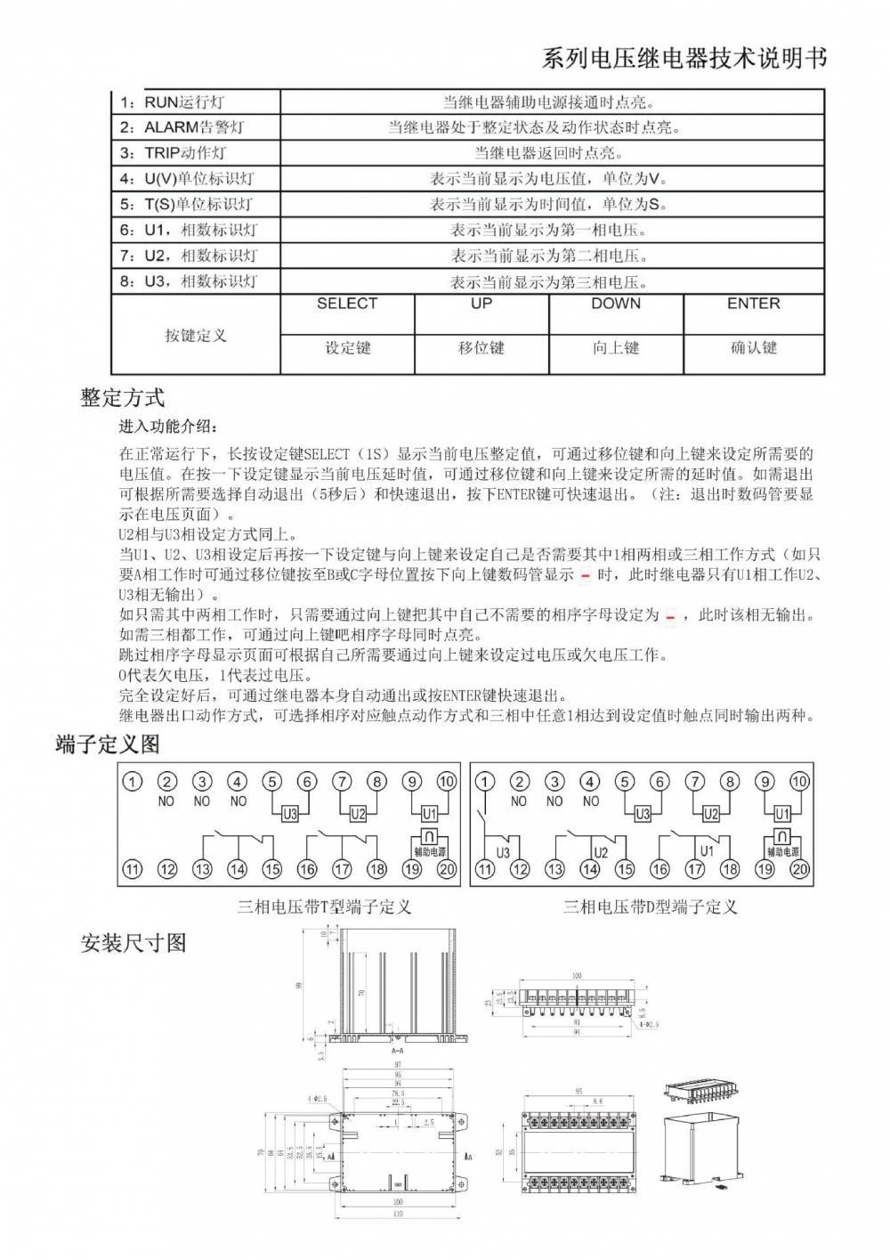
系列型号:
单相
WY-35A1电压继电器;WY-35B1电压继电器;WY-35C1电压继电器;WY-31A1电压继电器;WY-31B1电压继电器;
WY-31C1电压继电器;JY-45A1电压继电器;JY-45B1电压继电器;JY-45C1电压继电器;JY-45D1电压继电器;
JY-41A1电压继电器;JY-41B1电压继电器;JY-41C1电压继电器;JY-41D1电压继电器;
两相
WY-35A3电压继电器;WY-35B3电压继电器;WY-35C3电压继电器;WY-31A3电压继电器;WY-31B3电压继电器;
WY-31C3电压继电器;JY-45A3电压继电器;JY-45B3电压继电器;JY-45C3电压继电器;JY-45D3电压继电器;
JY-41A3电压继电器;JY-41B3电压继电器;JY-41C3电压继电器;JY-41D3电压继电器;
三相
WY-35A4电压继电器;WY-35B4电压继电器;WY-35C4电压继电器;WY-31A4电压继电器;WY-31B4电压继电器;
WY-31C4电压继电器;JY-45A4电压继电器;JY-45B4电压继电器;JY-45C4电压继电器;JY-45D4电压继电器;
JY-45A4D电压继电器;JY-45A4T电压继电器;JY-45B4D电压继电器;JY-45B4T电压继电器;JY-45C4D电压继电器;
JY-45C4T电压继电器;JY-45D4D电压继电器;JY-45D4T电压继电器;JY-41A4电压继电器;JY-41B4电压继电器;
JY-41C4电压继电器;JY-41D4电压继电器;JY-41A4D电压继电器;JY-41A4T电压继电器;JY-41B4D电压继电器;
JY-41B4T电压继电器;JY-41C4D电压继电器;JY-41C4T电压继电器;JY-41D4D电压继电器;JY-41D4T电压继电器;
WY-35A4D电压继电器;WY-35A4T电压继电器;WY-35B4D电压继电器;WY-35B4T电压继电器;
WY-35C4D电压继电器;WY-35C4T电压继电器;WY-35D4D电压继电器;WY-35D4T电压继电器;
WY-31A4电压继电器;WY-31B4电压继电器;WY-31C4电压继电器;WY-31D4电压继电器;
WY-31A4D电压继电器;WY-31A4T电压继电器;WY-31B4D电压继电器;WY-31B4T电压继电器;
WY-31C4D电压继电器;WY-31C4T电压继电器;WY-31D4D电压继电器;WY-31D4T电压继电器;
一、产品特性
二、技术参数
三、应用领域
WY-31C4电压继电器广泛应用于发电机、变压器、变电线路的继电保护装置中,作为过电压或欠电压闭锁的动作元件。其高精度、快速响应和延时功能使其成为电力系统中的重要保护设备。
四、使用与维护
