近期《移动电源安全技术规范》新国标(征求意见稿)发布,让整个行业都掀起了一股合规技术升级的浪潮,各大移动电源方案核心供应商均在响应,围绕新规提出的全新要求推出对应的解决方案。
这份被业内称为史上最严的移动电源新国标,在原有 GB 31241 电池安全标准基础上,加严了过充电、针刺、挤压、热滥用等极限工况试验,同时还新增了对电池电压、温度等安全信息的实时监测、存储与读取要求,并引入智能调节、设备间交互通信等智能管理条款,同时在标识层面要求在机身上明确标注电池材料体系、生产日期以及建议安全使用年限等信息,让电池安全状态和寿命信息实现看得见、可追溯。
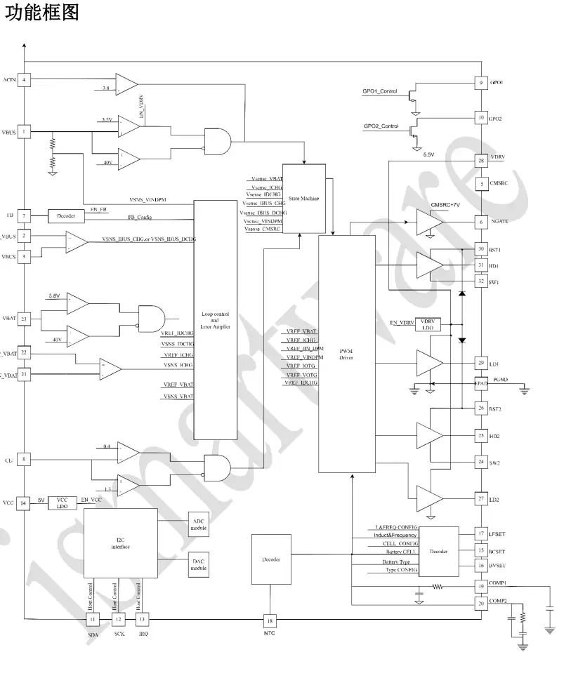
作为移动电源芯片方案的核心供应商,智融科技基于对新国标的深度解读,正式推出 SW250X+SW7226 PD/UFCS+VDM 有线通信新国标智能移动电源方案,该方案以极高的集成度和完善的逻辑策略,助力厂商完成产品合规升级。
简单来说,智融科技 PD/UFCS+VDM 有线通信方案采用协议芯片SW250X与双向升降压控制器 SW7226 的组合来实现新一代智能移动电源的核心功能,同时为满足电池监测和时间同步的要求,可以引入外置BMS芯片和RTC芯片通过 I²C 数字接口与 SW250X 建立通信连接,将电压、电流、温度及时间戳等信息统一汇聚、存储并经 Type-C 接口,通过 PD 和 UFCS 协议以及自定义的 VDM 消息,将移动电源的关键数据实时上传至主机设备,从而在不增加蓝牙等额外无线模组的前提下,实现与手机等终端的信息交互。

具体来说,SW2507 /SW2505 作为主控与协议处理核心,内部集成 Flash,用于存放异常信息,并负责异常事件和系统信息的记录管理,通过I²C 总线分别连接 SW7226 双向升降压控制器、外置 BMS 以及 RTC,完成电池充放电控制、电芯状态监测和精确时间同步,再通过 UFCS/PD 与手机等终端进行数据交互,最终实现新国标移动电源所需的安全充放电、智能监测等要求。
接下来将分别简要介绍方案中的 SW250X 与 SW7226 两款核心芯片,让大家对该方案有个更好的了解。
SW2507 / SW2505 是一款高集成度的快充协议控制器,内嵌 ARM Cortex-M0 内核,最高工作频率40MHz,支持多种主流快充协议并通过了USB PD3.1 EPR以及UFCS双认证,支持DRP模式,最高支持 32V 输入/输出,并提供 I²C、UART、GPIO 等丰富接口,C口支持在线升级,支持在线仿真调试,支持光耦/FB控制/I2C支持主从模式。支持死电池激活以及低功耗检测模式,可智能协调最佳充电参数,非常适合在移动电源中承担协议大脑的角色,负责整个系统的协议处理、数据存储和协调。


SW2505具备全面的保护机制,包括输入/输出电压保护、过流保护、过压保护、欠压保护、过温保护等,有效保障设备的安全与稳定。该芯片采用QFN-28(4x4mm)封装。
SW7226 是一款符合 PD3.1 规范的高效同步双向充放电 Buck-Boost 控制器芯片,支持最高 40V 输入电压,兼容 2~8 串三元锂以及 2~10 串磷酸铁锂电芯,输出范围覆盖 3V~37V,芯片内部集成 12bit ADC、I²C 接口以及背靠背通路 NMOS 驱动,可在死电池场景下实现启动,即便端口被隔离也能完成芯片唤醒并启动充电,可持续把电压、电流等运行信息反馈给主控。


SW7226 集成多重保护机制,包括输入/电池过压保护、输出过压/过流/短路保护、NTC 过温保护及热关断保护,确保设备的安全性和可靠性。该芯片采用 QFN-32 封装。
而围绕新国标提出的电池状态监测、智能管理和信息交互三大核心要求,充电头网也将详细介绍一下智融科技这款方案的具体实现方式,让大家有个更加深入的了解。

该方案以SW2507 / SW2505为整个核心的大脑,通过I²C 将外置 BMS、SW7226 和 RTC 等器件挂在同一总线上,由 BMS 负责逐节电芯电压采集,单节电池电压精度可控制在±1%,可满足新国标对单体监测的要求。
SW7226 内置 ADC 通道用于采样电池组总电压和充放电电流,配合外置或板载 NTC 完成关键位置温度检测,最终能够实现电池组电压 ±1%、温度 ±3 ℃、电流 ±3% 的监测精度。

之后所有采样数据周期性上传至 SW2507 / SW2505,由其在固件中完成阈值判断和状态解析,实时识别过压、过温等异常工况,并可按新国标要求将相关信息记录在内部 Flash 中,同时通过 PD/UFCS 自定义消息上报给上位机,可通过手机、USB 等方式读取,达到新国标关于电池状态监测的要求。

智融科技这款方案还能实现充电宝从出厂到报废的全生命周期智能管理,具体来说,产品在出厂后处于未激活状态时,输出被严格限制在 5V/2A,只有在完成激活后,系统才会放开快充能力,激活时间由外置 RTC 精确计时,并在 6 个月周期到期时提醒用户再次激活,完成激活后计时器清零,以此实现对安全使用年限的管理和可视化。
在日常使用过程中,SW2507 / SW2505 会根据 BMS 回传的循环次数以及温度信息动态调整充放电电流,降低高温、高倍率工况对电芯的冲击,当产品长期搁置或电压低于设定阈值时,又会触发由 SW7226 实现的小电流补电策略,以防止过放导致的不可逆损伤。
同时随着使用时间推移,控制器还会按照设定的曲线缓慢下调充电截止电压,例如第一年整体下调 0.1V,第二、三年各下调 0.05V,之后维持稳定,通过细微但持续的降压养护,在兼顾容量体验的前提下降低老化后电芯的安全风险。同时,电池温度一旦超过安全阈值,系统会立即根据 NTC 测得的温度触发过温保护。

新国标强调信息交互能力,智融科技的这款方案则借助 PD / UFCS 自定义 VDM 有线通信,实现时间同步、实时状态上报与异常日志回传,让手机或上位机能够直接获取充电宝的关键运行数据,在不额外增加蓝牙等无线模组的前提下,满足新国标对信息可视化、数据可追溯以及远程诊断能力的落地要求。
智融科技 SW250X+SW7226 方案采用协议主控+双向升降压的高集成双芯组合,利用 PD/UFCS+VDM 有线通信技术,在不额外增加蓝牙等 无线模组的前提下,仅通过现有 Type-C 接口即可实现电池状态精细化监测、全生命周期智能管理、异常信息记录以及数据交互可视等新国标核心要求,以极简的硬件架构构建起完全符合新规的智能电源系统。
该方案的优势在于无需进行复杂的调试,BOM 成本更低且开发逻辑更统一,同时还能实现出厂激活、老化降压养护等深度定制策略。可助力厂商在极短周期内完成产品合规化迭代,快速抢占新国标移动电源市场先机。