频率基准的精度与稳定性直接决定了系统的性能与可靠性。高Q值晶体工艺、精准机调技术与灵活可调设计,为通信、导航和工业控制等领域提供高稳定性、高可靠性的频率解决方案。
初始精度是指晶振在出厂时的天然频率偏差,即其实际振荡频率与标称频率之间的差异,通常以ppm百万分之一作为单位表示。影响晶振初始精度的主要因素包括:
初始精度仅是晶体的基准值,并非系统最终输出的精度。为了满足应用需求,晶振通常还需经过工厂精密调校或用户微调。
在出厂阶段,晶振会通过工厂频率调整技术,使产品达到客户要求的标称精度。常见的调整方式包括:

这些过程由高精度频率计和自动化调试系统完成,确保晶振出厂时的频率误差控制在目标范围内。经过精密机调的晶振在长期运行中能保持频率稳定,不易受环境与老化影响,从而提升设备整体可靠性。
在某些精密系统中,用户需要在系统运行阶段对频率进行微调,以补偿实际电路与温度带来的偏差。此时,可选择具备电子频率控制(EFC)功能的晶振。
压控晶振VCXO通过外部控制电压作用于内部变容二极管,连续改变晶振负载电容,实现频率微调。

在温度补偿晶振的基础上,加入电子频率控制EFC接口后,形成VCTCXO。外部控制电压通过内部变容二极管改变负载电容,实现输出频率的精细微调。

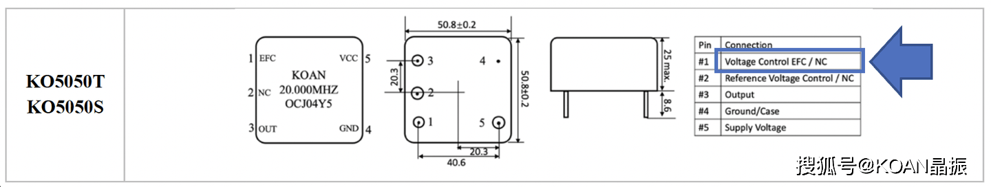
在恒温晶振的基础上增加EFC控制功能,可在恒温环境下进行高精度中心频率调整。它采用内置加热腔体控制晶体温度在最佳点,环境温漂几乎被完全消除,因此EFC 调整的稳定性更高。OCXO的输入阻抗约20~100kΩ。

OCXO的Pin 1 (EFC)是用来调节频率的输入脚,Pin 2 (Vref)是提供稳定电压基准的输出脚,两者配合使用,可以让频率调节更准确、稳定,不受外部供电波动干扰。
部分应用仍采用机械可调晶振,通过内部电位器或可调电容进行一次性精密调节。不属于实时动态补偿方式,无法替代EFC调节。适合出厂机调或者安装现场的频率修正。K(V)T14可选机械方式进行微调:
