该激光器具有独特的内置输出功率控制功能,通过输入直流电压实现相当线性的控制。经测试,光谱模式在整个5-100%输出功率控制范围内均为真正的单模,无需任何外部光衰减器。该激光器内置隔离器,可抵御镜面反射,抑制功率优于20 dB,这大大提高了激光操作的稳定性。


香港星云先进技术有限公司(NAT)是Innovative Photonic Solutions(IPS Lasers)中国代理商,我们为客户提供半导体二极管光源系统、拉曼光谱激光器等光电产品。
应用领域
此激光器封装专为OEM集成设计,适用于:
主要特点
标准波长
规格参数

产品型号
波长 (nm) | 最小功率 (mW) | 型号 |
532 | 20 | IPS-532-20-OEM |
532 | 50 | IPS-532-50-OEM |
532 | 100 | IPS-532-100-OEM |
零件

选定数据


定制能力
电气规格

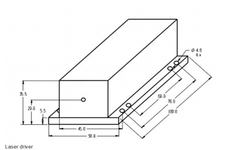
机械图


操作注意事项
本文档中包含的所有数据和声明如有更改,恕不另行通知,以符合Innovative Photonic Solutions持续改进产品的政策。未经Innovative Photonic Solutions书面确认,本文档中的任何信息不得用于任何合同。本文档中信息的发布不意味着Innovative Photonic Solutions或他人享有专利或其他权利的豁免。
香港星云先进技术有限公司(NAT)是Innovative Photonic Solutions(IPS Lasers)代理商,采购半导体二极管光源系统、拉曼光谱激光器等光电产品请立即联系我们。
