
随着现在智能家居的应用越来越广泛,带电池的产品一天比一天多,今天这篇文章就来讲一下那些支持快速充电 ( PD/QC ) 的产品应用电路是怎么实现的
USB Type-c保温杯、烧水杯、加热杯专用取电芯片USB PD受电端取电芯片
1、概述
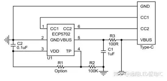
ECP5702是台湾能芯科技开发的一款兼容 USB PD 2.0/3.0 协议的 Sink 控制器。
USB PD受电端取电芯片ECP5702从支持 USB PD协议的适配器取电,然后供电给设备。比如可以配置适配器输出需要的功率,给无线充电器设备供电。ECP5702也兼容传统 USB 电源适配器。
2、特点
◇ 采用 SOT23-6L 封装,封装小。
◇ 兼容 USB PD 2.0/3.0 规范
◇ 可诱骗 PD输出固定的电压(5V/9V/15V/15V/20V)。

3、应用
◇ 智能家居
◇ 小家电/筋膜枪、无线充、蓝牙音箱
◇ 电动工具
◇ 所有需要适配器(支持 USB PD协议)供电的设备
◇ 从适配器/车充等电源上诱骗出合适的电压给产品供电。广泛应用于各个领域的各种产品,如小家电、老化器、智能家居、电动工具等。
USB Type-c保温杯、烧水杯、加热杯专用取电芯片
应用图参考1:


上一篇:乙醇螺旋管冷凝器-售后无忧