




系列型号:
单相
WY-35A1电压继电器;WY-35B1电压继电器;WY-35C1电压继电器;WY-31A1电压继电器;WY-31B1电压继电器;
WY-31C1电压继电器;JY-45A1电压继电器;JY-45B1电压继电器;JY-45C1电压继电器;JY-45D1电压继电器;
JY-41A1电压继电器;JY-41B1电压继电器;JY-41C1电压继电器;JY-41D1电压继电器;
两相
WY-35A3电压继电器;WY-35B3电压继电器;WY-35C3电压继电器;WY-31A3电压继电器;WY-31B3电压继电器;
WY-31C3电压继电器;JY-45A3电压继电器;JY-45B3电压继电器;JY-45C3电压继电器;JY-45D3电压继电器;
JY-41A3电压继电器;JY-41B3电压继电器;JY-41C3电压继电器;JY-41D3电压继电器;
三相
WY-35A4电压继电器;WY-35B4电压继电器;WY-35C4电压继电器;WY-31A4电压继电器;WY-31B4电压继电器;
WY-31C4电压继电器;JY-45A4电压继电器;JY-45B4电压继电器;JY-45C4电压继电器;JY-45D4电压继电器;
JY-45A4D电压继电器;JY-45A4T电压继电器;JY-45B4D电压继电器;JY-45B4T电压继电器;JY-45C4D电压继电器;
JY-45C4T电压继电器;JY-45D4D电压继电器;JY-45D4T电压继电器;JY-41A4电压继电器;JY-41B4电压继电器;
JY-41C4电压继电器;JY-41D4电压继电器;JY-41A4D电压继电器;JY-41A4T电压继电器;JY-41B4D电压继电器;
JY-41B4T电压继电器;JY-41C4D电压继电器;JY-41C4T电压继电器;JY-41D4D电压继电器;JY-41D4T电压继电器;
WY-35A4D电压继电器;WY-35A4T电压继电器;WY-35B4D电压继电器;WY-35B4T电压继电器;
WY-35C4D电压继电器;WY-35C4T电压继电器;WY-35D4D电压继电器;WY-35D4T电压继电器;
WY-31A4电压继电器;WY-31B4电压继电器;WY-31C4电压继电器;WY-31D4电压继电器;
WY-31A4D电压继电器;WY-31A4T电压继电器;WY-31B4D电压继电器;WY-31B4T电压继电器;
WY-31C4D电压继电器;WY-31C4T电压继电器;WY-31D4D电压继电器;WY-31D4T电压继电器;
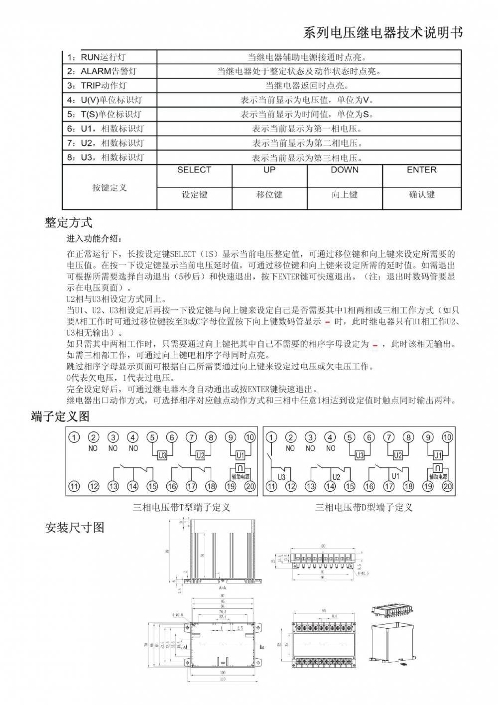
一、功能特性
过电压与欠电压保护:
过电压保护:当电路电压超过额定电压的105%~120%时,继电器动作,切断电路或触发报警,防止设备因过电压而损坏。
欠电压保护:当电路电压低于额定电压的40%~70%时,继电器动作,防止设备在欠电压状态下运行,避免设备损坏或性能下降。
延时功能:继电器具备延时整定功能,延时范围通常为0ms~9999ms,延时精度为±(1%整定值+60ms)。这有助于避免因电压短暂波动而导致的误动作,提高系统的稳定性。
数字显示与实时监测:继电器采用液晶显示(LCD)或数字显示屏,可实时测量并显示当前电压值,方便用户监控电路状态。
电磁兼容性:产品满足电磁兼容四级标准,能够在复杂的电磁环境中稳定工作。
安装方式:外壳采用新升级结构,适用于DIN导轨安装,方便用户进行安装和维护。
二、技术参数
辅助电源:DC 88~370V,AC 85~265V,能够适应不同的电源环境。
额定输入电压:Un 100VAC、200VAC、400VAC,满足不同电压等级的需求。
额定频率:50Hz,符合大多数电力系统的频率要求。
电压整定范围:(0.1~1.0)Un,电压精度±3%,能够满足用户对电压保护的精确需求。
功率消耗:≤5W,节能高效。
返回系数:过量动作0.9,欠量动作1.1(可定制),确保继电器在电压恢复正常后能够迅速返回。
接点容量:6A@250VAC/30VDC,能够满足不同负载的需求。
工作环境:-40℃~+70℃,5%~95%RH无凝露,适应恶劣的工作环境。
存储环境:-40℃~+85℃,5%~95%RH无凝露,确保继电器在长时间存储后仍能正常工作。
三、应用场景
WY-35C4D电压继电器主要用于发电机、变压器和输电线的继电保护装置中,作为过电压或欠电压闭锁的动作元件。它能够实时监测电路中的电压变化,并在电压超出规定范围时迅速切断电路或触发报警,从而保护电气设备免受损坏。
