产品描述:
PC5510 是 一 款 外 围 电 路 简 单 的BOOST 升压恒压控制驱动芯片,适用于 2.7-40V 输入电压范围的升压恒压电源应用领域,启动电压低至 2.5V。芯片会根据负载的大小自动切换 PWM,PFM 和 BURST 模式以提高各个负载端的电源系统效率。本芯片可以通过 EN 脚实现低待机关机功能,当 EN 脚接 VIN 的时候,系统正常工作,当 EN 脚位被拉低,系统关机,此时流入芯片内部的电流小于 2uA,进入低功耗待机模式。此外芯片还可以通过 ROSC 脚设置系统开关频率, 当 ROSC 悬空, 开关频率为130KHz , 当 ROSC 拉 高 , 开 关 频 率 为260KHz,如果需要别的开关频率,可以在ROSC 上对地加电阻实现。芯片支持软启动功能,调节 SS 端口的电容大小,可以改变软启动的时间。芯片支持逐周期的限流保护,输出过压保护以及过温保护,保护机制被触发时,芯片会及时关闭 GATE 的输出,有效保护电源系统以及输出负载。

主要特点:
• 输入电压: 2.7-40V
• 高效率:最高可达 95%
• 恒压精度 ≤±3%
• 输出电压随 MOS 决定
• 逐周期限流保护
• 可编程的软启动
• 内置过温保护
• 内置过压保护
• 支持 PWM, PFM 以及 BURST 工作模式
• 支持低功耗关机模式< 2uA
• 可设定工作频率
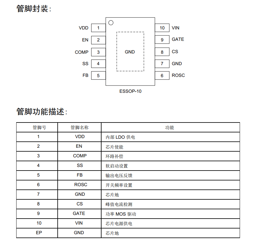
• 封装形式: ESSOP10

典型应用:
• 移动设备供电
• 太阳能
• 音频功放模块供电
• 锂电升压应用