AH3633E/AH3633X是两款功能对标LTC3633的高集成度同步降压稳压器,核心性能、工作逻辑与应用场景高度匹配LTC3633,可作为其优选功能替代方案,适用于负载供电、便携式仪器、分布式发电系统及电池驱动设备。两款芯片输入电压范围3.6~20V,最大输出电流3A,工作结温-40℃~125℃,分别采用4mm×4mm QFN24(AH3633E)和2.5mm×2.5mm QFN18(AH3633X)封装,适配不同尺寸需求,安装灵活。
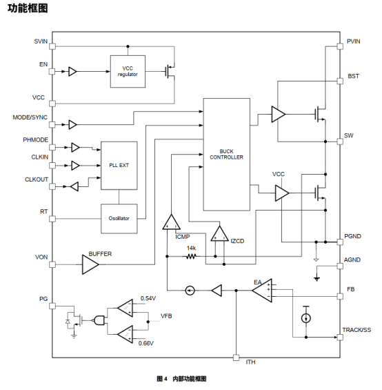
核心功能与LTC3633全面对齐,集成上下功率MOSFET(上管导通电阻57mΩ,下管35mΩ),开关频率可通过外部电阻在800kHz~2MHz范围内调节,也可与外部时钟同步,避免拍频噪声。支持0°/180°移相功能(通过PHMODE引脚控制),可多相交错并联扩展输出电流,满足大电流供电需求。输出电压通过外置分压电阻调节,基准电压0.6V(精度±1%),调节公式与LTC3633一致,兼容原电路电阻配置。
具备完善保护与控制功能,与LTC3633的保护体系匹配:输入过压保护(23V触发,21V恢复)、逐周期电流限制(峰值3.5A)、160℃热关断保护(145℃恢复)、输出短路保护及输入欠压锁定。支持可调节软启动与输出电压跟踪功能,轻载下可选择断续模式(PFM)或强制连续模式(FCCM),兼顾低功耗与低纹波,最高效率达96%,静态工作电流600μA,关断电流2.5μA,功耗控制优异。
一 AH3633的特性
高达96%的效率
轻载条件下可调节断续模式与强制连续模式
集成上下功率MOS管
输入电压范围:3.6V~20V
输出电流3A
外部可调频率范围:800kHz~2MHz
可选择0°/180°移相(在CLKIN和CLKOUT之间)
可支持外部时钟信号同步
可调节的软起动和输出电压追踪功能
基准电压0.6V,温度范围内精度±1%
电流控制模式提供优越的线性和负载瞬态响应
可提供24引脚(4mm×4mm)QFN封装、18引脚(2.5mm×2.5mm)QFN封装
二 AH3633的应用信息

1 典型应用图

2 引脚排列及定义




3 功能框图

4 基础参数


