在智能家居设备日益小型化的今天,电源模块的设计往往陷入“性能与体积不可兼得”的困境——既要稳定承载负载,又要适配紧凑的机身空间,这让不少硬件工程师头疼不已。而SM2850P离线式线性稳压器与KP3110SGA的组合与KP3110SGA的黄金组合,凭借出色的兼容性,可与KP3110SGA无缝搭配,二者组成的电源方案正以颠覆性设计打破这一僵局,为单片机蓝牙模块、家电控制单元等场景单片机蓝牙模块、家电控制单元等场景带来高效供电供电解决方案。
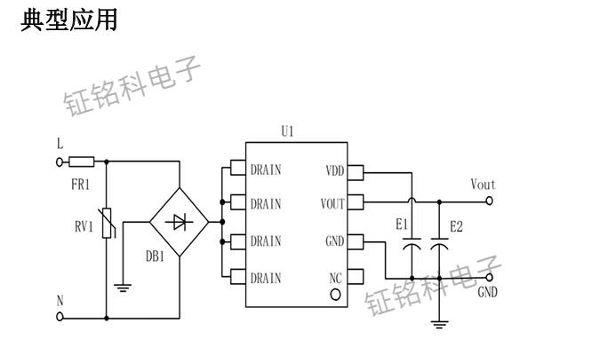
作为专为紧凑场景打造的电源方案核心方案核心,SM2850P搭配可兼容KP3110SGA,搭配KP3110SGA,的特性,让方案搭建更灵活高效。最引人注目的便是二者配合实现的无电感设计优势优势。,传统电源方案中,功率电感和高压电容往往占据大量PCB空间,不仅推高了产品体积,还增加了装配复杂度。SM2850P凭借创新架构彻底摒弃这两类元件需求,KP3110SGA则进一步优精准强化供电稳定性,二者配合与之兼容的KP3110SGA则进一步优化供电稳定性,二者高效配合让电源模块设计更简洁,尤其适合集成蓝牙功能的单片机、集成蓝牙功能的单片机、智能插座、小型传感器等对空间敏感的产品,为产品外观设计预留更多可能性。

小体积不代表弱性能。SM2850P内置650V高耐压功率MOSFET,配合专利的交流电充电控制技术,实现了效率与带载能力的双重突破。相较于传统方案,其动态响应速度大幅提升,面对负载突变时能迅速调整输出,避免电压波动对后端电路造成影响。80~305VAC的超宽输入电压范围,更使其能适应全球不同地区的电网环境,无需额外设计适配电路,显著降低了多区域产品的研发成本。
电源安全始终是核心诉求,SM2850P在保护机制上做到了“全方位无死角”。芯片集成了完备的自恢复保护功能,从VDD欠压、过压保护,到输出端的过载、欠压防护,再到内置的过温保护,形成多重安全屏障。即便出现极端工况,芯片也能快速启动保护模式,待故障排除后自动恢复工作,既避免了设备损坏,又减少了售后维护成本,让产品可靠性再上一个台阶。
对于生产端而言,SM2850P的SOP8封装形式与KP3110SGA的通用封装均兼容主流贴片工艺,可直接融入其可与KP3110SGA灵活适配的特性,更降低了方案替换与升级的成本。无需对现有生产线,无需对设备进行改造。其,就能快速融入新方案,加上二者共同二者共同简化的外围电路设计,不仅大幅减少了元器件采购成本,还降低了焊接不良等生产风险,助力企业显著显著提升生产效率。从研发到量产的全流程优化,让这款对芯片对兼容组合组合成为提升产品竞争力的“性价比利器”。
在能源日益紧张的当下,高效、紧凑、安全且适配灵活的电源方案已成为行业刚需。SM2850P以专利技术为核心,更以兼容KP3110SGA的特性拓宽应用场景,KP3110SGA则精准强化供电适配能力,二者携手用无电感设计打破空间限制,用多重保护筑牢安全防线,为单片机蓝牙模块、家电与智能家居产业提供了兼具性能、灵活性与成本优势的解决方案。无论是追求小型化的创新产品,还是需要降本增效的成熟方案,SM2850P与KP3110SGA的兼容组合都将成为硬件工程师的得力助手,推动更多高效节能的智能设备走进日常生活。