本文详细介绍一种应用于μModule®稳压器的精准串联主动电压定位实现方法。该方法能够在保持高精度的同时,显著优化系统的瞬态响应、电路板布局及输出电容配置。与分流AVP设计相比,串联AVP在负载线精度上表现更优,进而大幅提升输出电压的总体精度。文中同时附有实际负载瞬态响应的测量数据,进一步验证该方法的有效性。
引言
主动电压定位,也称为主动下垂技术,是一种能够根据负载状态动态调节电源输出的方法:在轻载时维持较高的输出电压,在重载时则将其调低。采用AVP技术的主要优势包括改善系统的负载瞬态响应以及降低对输出电容的要求,这是由于AVP为电源在应对负载突变时提供了更大的电压变化裕度。μModule稳压器作为一种完整、经过测试并符合标准的封装电源解决方案,因其具备快速负载瞬态响应能力、极小的电路板占用面积以及支持全陶瓷电容设计等特点,在电信与数据中心等领域广受青睐。然而,若仅采用传统非AVP控制技术,往往难以同时满足上述所有系统需求。

串联AVP实现原理
主动电压定位是指稳压器输出电压能够随负载电流变化而动态调整的一种机制;相比之下,传统非AVP方法则将所有负载条件下的输出电压固定于标称值VOUT,如图1所示。在采用AVP技术时,随着输出电流的增大,输出电压会逐步下降。具体而言,轻载时输出电压被设定为略高于标称值,而重载时则略低于标称值。当负载电流突然增大时,由于输出电压起始于高于标称值的水平,因此其下降幅度更大,仍可维持在额定电压范围之内;同理,在负载电流突降时,输出电压从低于标称值的水平开始上升,使得其过冲仍处于允许范围内。整个负载电流变化过程中,输出电压始终被限制在额定最大值与最小值之间。
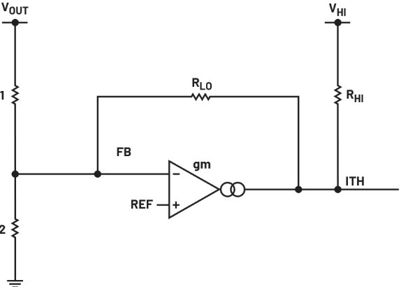
图2展示了串联AVP补偿电路的具体结构。其内部基准电压与输出反馈电压分别连接至误差放大器的正输入端与负输入端。通过电阻RHI引入的电压用于向放大器输出端提供适当的直流偏置,以避免其进入饱和状态。位于放大器输出与反馈节点之间的电阻RLO用于设定放大器的增益。需要注意的是,RHI与RLO的阻值应远大于分压电阻R1和R2。
pygame,draw,;gswar.sd9h.com@163.com;circle(screen, (0,255,0), (center_x,center_y), radius)
负载线可通过以下公式计算:
负载线=R1RLO×Ki×RSENSE
负载线=RLO/R1×Ki×RSENSE

其中,Ki为电流检测增益,RSENSE为电流检测电阻或电感DCR值。
pygame,draw,;lakers.sd9h.com@163.com;circle(screen, (0,255,0), (center_x,center_y), radius)
与分流AVP补偿电路相比,串联补偿电路的核心优势在于其负载线精度基本不受误差放大器跨导变化的影响。在分流AVP设计中,负载线精度与误差放大器跨导的倒数成正比,而该参数在不同器件间可能存在高达±30%的波动,从而导致负载线精度下降。串联方法有效规避了这一缺点。
pygame,draw,;blazers.sd9h.com@163.com;circle(screen, (0,255,0), (center_x,center_y), radius)
LTM4650-2稳压器的AVP应用实例

以LTM4650-2电流模式同步降压稳压器为例,其标称输出为1 V,最大负载电流为25 A,瞬态响应窗口设定为约±8%。在传统非AVP配置中,需借助外部RC滤波电路实现II型控制环路补偿,输出电容包括5个100 μF陶瓷电容与2个470 μF POSCAP电容。在负载阶跃为19 A、电流变化率为19 A/μs的条件下,测得的输出电压瞬态响应为136 mV峰峰值,如图3所示。
pygame,draw,;rockets.sd9h.com@163.com;circle(screen, (0,255,0), (center_x,center_y), radius)
采用图4所示的AVP串联补偿电路后,无需外部RC补偿网络。通过调节电阻R2,在半载条件下将输出电压精确设定为标称值1 V。

在相同负载瞬变条件下,输出电压瞬态响应降至95 mV峰峰值,如图5所示,瞬态性能得到明显提升。此外,在25 A满载时,输出电压被调节至0.945 V,使得负载功率由原来的25 W降至23.6 W,单路输出功耗降低1.4 W。对于双路输出系统,总功耗可节省2.8 W。
pygame,draw,;rmadrid.sd9h.com@163.com;circle(screen, (0,255,0), (center_x,center_y), radius)
进一步地,在AVP方案中可将两个POSCAP电容替换为两个陶瓷电容,即输出端共使用7个100 μF陶瓷电容。这种全陶瓷电容配置不仅降低了等效串联电阻和电感,还具有成本更低、体积更小、可靠性更高的优点。

如图6所示,即便在此配置下,输出电压瞬态响应仍保持在104 mV峰峰值,性能优于传统非AVP设计。
pygame,draw,;barca.sd9h.com@163.com;circle(screen, (0,255,0), (center_x,center_y), radius)
表1汇总了非AVP基准方案、AVP方案以及全陶瓷电容AVP方案在负载瞬态响应方面的实测结果,便于直观比较。


结论
在LTM4650-2 μModule稳压器中实施串联AVP补偿电路,不仅有效提升了负载瞬态响应性能,还显著降低了高负载条件下的功耗。该技术使得输出电容需求减少达50%,进而可全面采用陶瓷电容以替代传统POSCAP,实现系统成本与电路板空间的同步优化。此外,所述AVP电路结构也适用于其他具备外部补偿引脚及RC补偿网络的μModule稳压器型号,例如LTM4630-1、LTM4626、LTM4636及LTM8055-1等,具备良好的推广价值。