深圳市三佛科技有限公司介绍FT60F01X为辉芒微电子基本I/O型系列单片机,应用领域:消费电子,小家电,礼品玩具等。FT60F01X提供1K*14b Flash、256*8b 数据EERPOM和64*8b SRAM,支持2.0V至5.5V工作电压。该款单片机最多提供6个通用IO,内部集成了两个8位的定时/计数器;内置高速和低速RC振荡器,最高频率支持16MHz;提供SOT23-6和SOP8两种封装,适用于功能简单,对成本要求极高的消费类电子产品。
FT60F01X系列:
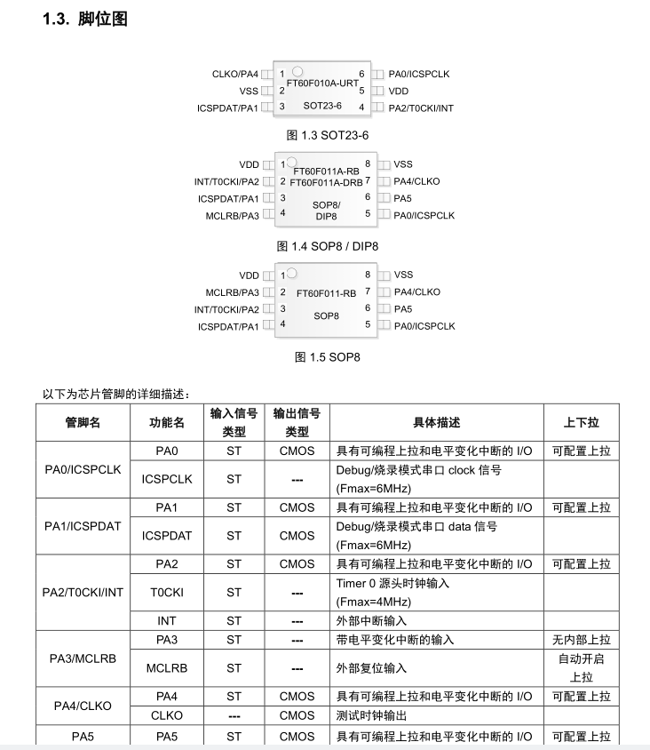
FT60E010A-URT 封装SOT23-6
FT60E011A-RB 封装 SOP8
FT60E011A-DRB 封装 DIP8
FT60E011-RB 封装SOP8
FT60F01X 特性:
全自我知识产权 8 位指令集
8 层 10bit 硬件堆栈
1Kx14b 程序 FLASH 存储空间(16bytes/page)
256x8b 数据 EEPROM(16bytes/page)
数据 EEPROM 可在应用编程
64x8b SRAM
1 x 带 8 位预分频的定时器 0
1 x 带 4 位预分频的定时器 2
带 7 位预分频的 WDT,溢出频率约为 16-2048ms
上电延迟计数器 PWRT
低功耗模式 SLEEP
4 个唤醒源,INT、端口变化中断、WDT、数据 EEPROM 写完成
内置高速 RC 振荡器,最高频率支持 16M
内置低速 RC 振荡器,32K 模式
最多 6 个通用 IO
端口变化中断,PA0-PA5
支持在系统编程 ISP
支持在线调试
程序空间保护
工作电压范围:2.0V - 5.5V
最大时钟工作频率:16MHz
FSYS=8MHz: 2.0V - 5.5V
FSYS=16MHz: 2.7V - 5.5V

