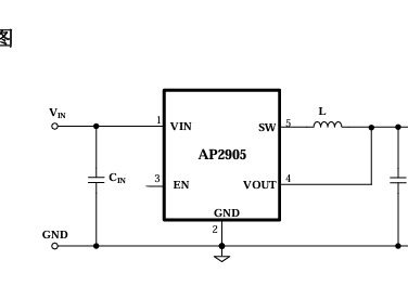
概述 AP2905 是一款高效率同步降压稳压器,在 6 V ~ 40 V 宽输入范围内可提供 0.7 A 输出电流。 AP2905的输出电压为固定5V,开关频率为100 kHz 。 AP2905 内部集成了低导通电阻的主功率管和同 步功率管,既降低了导通阻抗又省掉了外部肖 特基二极管。此外,内置补偿架构不需要使用 外置RC补偿电路,固定输出方式无需外部分压 电阻,进一步减少了外围元器件的使用。所以 AP2905非常适合于精简外围元件、单层PCB布 局需求的应用。 特别设计的 EMI 优化电路架构非常适合有安规 认证的应用场合。 完整的保护特性包括过流保护,过温保护,短 路保护以及欠压锁定保护等。 AP2905 采用 SOT23-5L 封装,可节约布局空间
特性
宽输入电压范围 6 V ~ 40 V
最大0.7 A 持续输出电流,1 A峰值电流输出
高达 92 % 效率
100 kHz开关频率
特别设计的EMI优化电路架构
内置软启动电路
内置补偿电路
可实现单层PCB布局
输入欠压锁定
逐周期电流限制
输出短路保护
热关断
SOT23-5L 封装
应用
MCU控制系统和I/O电源
机顶盒
平板电视机和显示器
工业分布式电源 便携仪器
